The excellent mechanical and electrical properties of polyphenylene sulfide (PPS) resin make it a preferred synthetic material in many important occasions. The purity of polyphenylene sulfide has a significant impact on the performance of the products made from it. For instance, in some electrical application fields, the presence of dust in polyphenylene sulfide monomers can also have a notable effect on the electrical performance of their products. Therefore, how to produce high-purity polyphenylene sulfide monomers has always been a concern in the chemical industry. In the production process of polyphenylene sulfide, to ensure the purity of the product, multiple stages of washing are required after the reaction synthesis is completed. During the washing process, washing water is used to clean the product, washing away impurities such as oligomers, solvents, and inorganic salts remaining on the product after production, thus ensuring the cleanliness, purity, and quality of the product.

In order to enhance the washing effect of polyphenylene sulfide resin and shorten the filtration time for solid-liquid separation, in the first stage of the polyphenylene sulfide resin washing process, since the washing liquid uses the filtrate from the second stage with a relatively high concentration of inorganic substances, without adding deionized water, This makes the concentration of the electrodelic compound after the first stage of washing higher than that under the condition of adding deionized water, thereby increasing the viscosity of the material in the first stage of washing process system, which in turn reduces the production efficiency and capacity of polyphenylene sulfide resin and increases production costs. Therefore, in each stage of washing process technology, By appropriately supplementing a certain amount of deionized water to reduce the viscosity of the material in the corresponding washing grade, the time required for material filtration can be shortened, thereby improving production efficiency and reducing production costs.
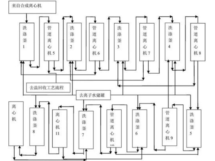
After the synthesis and production of polyphenylene sulfide resin is completed, when the temperature drops to 100℃, NMP solvent and acetone are added to the synthesis system in three equal portions. The temperature of the synthesis system is maintained at 60℃ for 45 minutes. Then, it is filtered while still hot. The filtrate is input into the solvent and co-solvent recovery system, and the filter cake is input into the washing system.
(2) In the filter cake obtained in 1), the first-stage washing liquid is the filtrate after the second-stage polyphenylene sulfide resin washing to wash the filter cake obtained in 1), and deionized water is supplemented to raise the temperature of the material in the first-stage washing system. Under this temperature condition, it is maintained for 30 minutes, filtered while still hot, and the filtrate is input into the recovery system of the by-product - sodium chloride. The filter cake is input into the second-stage washing process.
(3) In the filter cake obtained in 2), the second-stage washing liquid is used to wash the filter cake obtained in 2) with the filtrate after the third-stage polyphenylene sulfide resin washing, and deionized water is supplemented to raise the temperature of the material in the second-stage washing system. Under this temperature condition, it is maintained for 30 minutes, filtered while still hot, and the filtrate is input into the first-stage washing process. The filter cake is input into the third-stage washing process.
(4) In the filter cake obtained in 3), the third-stage washing liquid is the filtrate after washing with the fourth-stage polyphenylene sulfide resin to wash the filter cake obtained in 3), and deionized water is supplemented to raise the temperature of the material in the third-stage washing system. Under this temperature condition, it is maintained for 30 minutes, filtered while still hot, and the filtrate is input into the second-stage washing process. The filter cake is input into the fourth-level washing process.
(5) In the filter cake obtained in 4), the fourth-level washing liquid is used to wash the filter cake obtained in 4) with the filtrate after the fifth-level polyphenylene sulfide resin washing, and deionized water is supplemented to raise the temperature of the material in the fourth-level washing system. Under this temperature condition, it is maintained for 30 minutes, filtered while still hot, and the filtrate is input into the third-level washing process. The filter cake is input into the fifth-level washing process.
(6) In the filter cake obtained in 5), the fifth-stage washing liquid is used to wash the filter cake obtained in 5) with the filtrate after the sixth-stage polyphenylene sulfide resin washing, and deionized water is supplemented to raise the temperature of the material in the fifth-stage washing system. Under this temperature condition, it is maintained for 30 minutes, filtered while still hot, and the filtrate is input into the fourth-stage washing process. The filter cake is input into the sixth-level washing process.
(7) In the filter cake obtained in 6), the sixth-level washing liquid is used to wash the filter cake obtained in 6) with the filtrate after the seventh-level polyphenylene sulfide resin washing, and deionized water is supplemented to raise the temperature of the material in the sixth-level washing system. Under this temperature condition, it is maintained for 45 minutes, filtered while still hot, and the filtrate is input into the fifth-level washing process. The filter cake is input into the seventh-level washing process.
(8) In the filter cake obtained in 7), the seventh-stage washing liquid is used to wash the filter cake obtained in 7) with the filtrate after the eighth-stage polyphenylene sulfide resin washing, and deionized water is supplemented to raise the temperature of the material in the seventh-stage washing system. Under this temperature condition, it is maintained for 30 minutes, filtered while still hot, and the filtrate is input into the sixth-stage washing process. The filter cake is input into the eighth-level washing process.
(9) In the filter cake obtained in 8), fresh deionized water is added to raise the temperature of the material in the eighth-stage washing system. Under this temperature condition, it is maintained for 30 minutes, and then filtered while hot. The filtrate is input into the seventh-stage washing process, and the filter cake is input into the drying process. This completes the washing of polyphenylene sulfide resin.

The current PPS resin washing process in the production of polyphenylene sulfide has the following disadvantages
(1) High safety risk
When using a centrifuge for filtration, since the solvent-containing polymer slurry processed by the centrifuge is flammable and explosive, it is prone to cause combustion and explosion accidents. Moreover, due to its extremely high rotational speed, if operated carelessly or in violation of regulations, it may come into contact with the material inside the rotating centrifuge drum, causing accidents such as amputation of fingers or arms. In addition, drum breakage, drum displacement, and manhole cover flying out caused by various reasons can also lead to serious casualties.
(2) It is impossible to produce in a closed manner and causes significant environmental pollution
Between the steps of filtration, washing, crushing, purification and drying, there is a need for material transfer operations. The level of automation is low, and a large number of personnel are required for each shift. There are occupational disease risks such as solvents and dust during material transfer operations, and there are quality control difficulties such as foreign matter control. The management is difficult. The filter cake has serious defects such as poor washing effect, high labor intensity of manual operation, difficulty in material transfer, and the material is easily affected and contaminated by the transmission components of the equipment and the open working environment.
(3) The purification process is cumbersome and has poor stability
In the traditional purification process of special engineering plastics, the use of dehydrating agents and the polymerization system containing a large amount of salt are environmentally unfriendly and difficult to elute. Therefore, a large amount of organic solvents and deionized water need to be used for repeated washing multiple times to achieve a better purification effect. Therefore, the process is complex, the quality stability is poor, and the production cost is high.
(4) There are numerous devices and the operation is cumbersome, which cannot meet the requirements of large-scale industrial production processes
Filtration, washing and drying are all processed by independent equipment such as centrifuges, washing tanks and dryers. Due to the scattered nature of the equipment, the production process is difficult to control and the degree of automation is low. If the sampling, testing, feeding, replenishment, temperature and pressure are not properly controlled or operated manually, errors and contamination often occur. The difficulty of material transportation among the reaction, filtration and drying devices is even higher. Sometimes, this often leads to the entire set of devices being unable to operate normally or having high labor intensity, long production cycles, high energy consumption and low efficiency, which affects product quality and fails to meet the requirements of large-scale fine chemical production processes.
(5) It occupies a large area and requires high equipment investment
Filtration, multiple washing and filtration, drying and other unit operations are usually operated independently by unit equipment such as crystallization tanks, filter presses or centrifugal filters, washing tanks and dryers. Multiple unit devices form a large long-process device. Materials are conveyed between the devices through pipelines or other means. Each unit operation corresponds to the corresponding unit equipment, and the equipment is distributed. This has significantly increased the factory area for the entire production process and also greatly raised the investment in equipment.
In order to improve the above problems, Wuxi Srui has developed a continuous refining and purification filtration, washing and drying unit for special plastics (Patent No. (ZL 202121331911.4) has solved the problem of cumbersome and inefficient refining and purification steps of traditional special engineering plastics, thereby improving the overall efficiency of the PPS resin washing process, ensuring the continuity of production, with high efficiency, low energy consumption, environmental friendliness, universality and ease of promotion.

The specific steps of the conical filtration and washing two-in-one PPS resin washing process in the production of polyphenylene sulfide
(1) Pressure filtration or vacuum filtration
Add the materials that need to react (solid-liquid, liquid-liquid or gas-liquid) through the feeding port at the top of the equipment. Start the motor and reducer to make the hollow shaft and hollow screw ribbon rotate clockwise (viewed from the top down). Open the lower filtrate outlet and introduce compressed air or nitrogen and other gases into the equipment to pressurize and filter the solid-liquid mixture that has undergone the reaction until the material inside the machine is dried. Vacuum can also be drawn at the filtrate outlet to perform vacuum filtration on the material until the filtrate is completely drained. During filtration, the hollow shaft and hollow screw ribbon can be rotated clockwise (viewed from the top down) to lift the material. At the same time, the hollow screw ribbon can limit the thickness of the filter cake layer while rotating, allowing the material to be filtered under the condition of a thin filter cake layer, thereby increasing the filtration rate. For materials that are easy to filter, there is no need to stir during filtration; just filter the materials dry directly.
(2) It can be washed and filtered multiple times
Some materials need to be washed multiple times after filtration. The reaction filtration and drying multi-functional machine is an ideal device for repeated and multiple washes of materials. After the material is pressed dry in the machine, washing liquid can be added to the top washing liquid inlet. Then, through the stirring of the hollow shaft and hollow screw ribbon, the filter cake is uniformly re-pulped. After the re-pulping is stirred evenly, the material is pressed dry again. If one wash is not enough, multiple washes can be carried out. At this time, just repeat the above steps several times. The operation is convenient and the labor intensity is extremely low.
The washing of materials by the above-mentioned method is called the intermittent washing method. Since the material is pressed dry each time and then the washing liquid is added for washing, although the valve is opened and closed more frequently during operation, less washing liquid is used. This machine can also continuously wash materials. That is, the washing liquid is continuously pumped in by a pump or other methods, and the pressure of the washing liquid is used for filtration. The hollow shaft and hollow screw ribbon constantly stir, and the filtrate is continuously discharged from the filtrate outlet until the washing requirements are met. Finally, the filter cake is dried by pressing. This continuous washing method usually requires more washing solution than intermittent washing, but it is more convenient to operate.

Improvement of PPS resin washing process technology in the production of polyphenylene sulfide through conical filtration and washing in one
(1) The production system process is fully enclosed
This set of equipment is a fully enclosed system that operates from the solid-liquid separation of the polymer material slurry to the end of drying. The production process is more in line with the requirements and standards of the large-scale production process of fine chemicals, eliminating the dust volatilization factor, controlling foreign matter pollution, and reducing safety and environmental protection risks.
(2) Safety is guaranteed
In the process of solvent purification to remove oligomers, the use of a combined filtration and washing system to replace the centrifuge filtration and washing tank eliminates the safety risks of the centrifuge. The combined filtration and washing function can be protected by nitrogen during the filtration process, posing an extremely low safety risk. As this production system operates in a fully enclosed manner, it can completely prevent the pollution of the operating environment air by solvents during the production process, and at the same time reduce the occurrence of poisoning accidents for operators caused by contact with toxic substances. Today, with the growing calls for safety and occupational health, this advantage becomes even more important.
(3) More environmentally friendly
Because the entire production system operates in a fully enclosed manner, materials and solvents can be nearly 100% completely recycled, avoiding waste caused by material omission, residue and solvent evaporation. This brings significant economic benefits, especially when handling materials and using solvents of high value.
(4) It is easy to operate and highly automated
Each process is carried out in stages, with complete safety measures. Operators can complete the operation after simple training, and the labor intensity is greatly reduced.
(5) Product quality has been improved
As this equipment can re-stir and suspend the filter cake during the washing operation, the impurities in the filter cake can be thoroughly cleaned, which is conducive to improving the product quality.
(6) It is suitable for large-scale production needs
Filtration, washing and drying can be completed in the same system, and the factory space is also utilized to the greatest extent. In an era where land is extremely precious, reducing the occupied area can save a large amount of capital investment. This process is more suitable for the needs of large-scale production. It shortens the process, reduces equipment, saves factory space, lowers engineering investment, and at the same time improves product quality, reduces labor intensity, and has good economic and social benefits.
(7) Clean production
This filtration, washing and drying machine can operate in a closed manner and is equipped with a dust collector to completely collect the dust generated after drying, which can meet the production operation requirements of high cleanliness. It can easily achieve online cleaning operations. Compared with traditional equipment, it can reduce solvent evaporation and safety risks during cleaning.


Wuxi Sunray is committed to promoting technological innovation in crystallization, filtration, washing and drying equipment, and values the full trust given by customers. Intellectual property rights are the common lifeline of Shuangrui Machinery and its customers. At Wuxi Sunray, we adhere to the foundation of our business as honesty and dedication, and maintain a zero-tolerance policy towards infringement. We resolutely crack down on any criminal acts that infringe upon intellectual property rights. This is the supreme responsibility, obligation and commitment of Wuxi Sunray. We must sincerely repay our customers' trust and completely eliminate any infringement.